Categories

CFMOTO Allroad 500 -2011 Parts & Exploded Diagrams

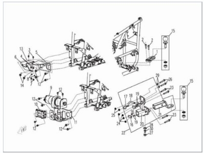
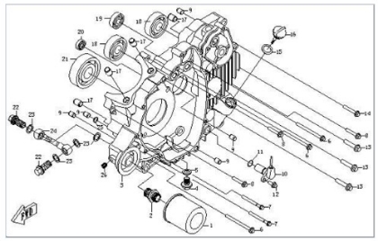
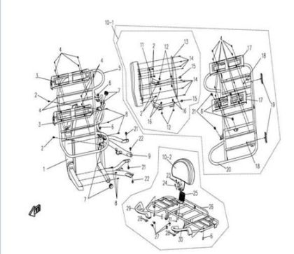
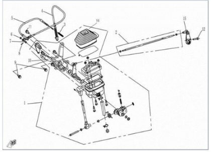
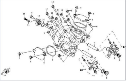
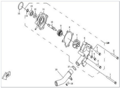
CFMOTO Allroad 500 -2011 Parts and Exploded Diagrams

Explore our range of CFMOTO Allroad 500 -2011 parts and exploded diagrams for easy maintenance and repair. We offer OEM parts for the engine, drivetrain, brakes, suspension, and body components. Our clear exploded diagrams make it easy to find the right replacement parts quickly and accurately.

  • Engine and drivetrain components
  • Brake and suspension parts
  • Body and chassis components
  • Accessories and maintenance items
  • Detailed exploded diagrams for easy part identification

Ensure your CFMOTO Allroad 500 always performs at its best by choosing original parts from our catalog.