Meny
Personal menu
Sök
0
Mera fritid - Just more fun🙂
Stäng
Visa priser inkl. moms
Visa priser exkl. moms
NOK
Euro
SEK
Skapa konto
Logga in
Önskelista
(0)
Stäng
Sök
0 Varor
Din varukorg är tom.
Stäng
Produkter
Fordon
Tillbaka
Motorcyklar
Tillbaka
Suzuki
Kawasaki
Barncross
CFMOTO
Super Soco (Elmopeder)
Talaria (Elmoped)
Fyrhjulingar
Tillbaka
CFMOTO
Mini ATV
Snöskotrar
Släpvagnar
Tillbaka
Obromsade vagnar
Tillbaka
Standard
Proffs
Båttrailers
Tillbaka
Standard
Proffs
Upptagningsvagn
Bromsade vagnar
Biltransporter
Båtar
Tillbaka
Kimple
Nakhoda
Kawasaki
Silver
Terhi
Utombordare
Tillbaka
Mercury
Minn Kota
Suzuki
Trädgård
Tillbaka
Elhandverktyg
Snöslungor
Gräsklippare
Reservdelar
Tillbaka
MC
Tillbaka
Suzuki Sprängskisser
Super Soco Sprängskisser
CFMOTO Sprängskissser
Snöskoter
Tillbaka
Arctic Cat originaldelar
Tillbaka
Sprängskisser ARCTIC
Tillbehör (Arctic Cat)
Boggie
Tillbaka
Täcklock
Stötdämpare Boggie
Tillbaka
Boggiedämpare
Stötdämparbussning
Fjäderhållare
Fjädrar
Reservdelar Stötdämpare
Haknycklar
Balataremmar
Boggiefjädrar
Boggiehjul
Hjulbussningar
Fjäderfästen
Genomslagsgummi
Låsringar
Slides
Bussningar
Axlar & Swingarmar
Glidblock
Isrivare
Boggiehjulsfästen
Skenor
Tillbaka
Boggieskensförstärkare
Drivlina
Tillbaka
Variatordelar
Tillbaka
Variatorfjädrar
Helix
Variatordelar (Comet)
Glidklackar / Rullar
Repsatser / Bussningar
Variatorshims
Variatorer (Primär)
Variatorer (sekundär)
Vikter
Viktarmsbultar
Drivmattor
Tillbaka
Mattor Camso
Mattclips
Mattdubb
Drivhjul & Axlar
Tillbaka
No Slip Drivhjul
Hjulfläns
Drivremmar
Kedjehus
Tillbaka
Packning kedjehus
Kedjor & Sträckare
Tillbaka
Kedjor
Kedjesträckare
Packboxar kedjehus
Drev
Drevsats (inkl kedja)
Elektronik
Tillbaka
Bränslegivare
Säkringar & Relän
Sensorer
Hastighetsmätare
Batterier
Batteriladdare
Belysning
Tillbaka
Framlyse
Baklyse
Glödlampor
Brytarspetsar
CDI-boxar
Eluttag
Handtagsvärmare
Tumvärmare
Kondensatorer
Kortslutningsknapp
Ljusomkopplare
Startmotorer
Tillbaka
Startmotoraxel
Startmotordrev
Startrelän
Brytare & bromskontakter
Säkerhetskontakter
Säkerhetslinor
Tändningslås
Tändspolar
Tändstift
Tändhattar & kablar
Voltregulator
Tps sensor
Tempgivare
Timräknare
Pick-Up Spolar
Knacksensorer
Statorer
Chassie & Broms
Tillbaka
Chassie tillbehör
Tillbaka
Lackstift
Kapell
Tillbaka
Kapell (Arctic Original)
Plast & huvar
Tillbaka
Dekaler
Broms/Gas
Tillbaka
Bromsskivor
Bromscylinder repsats
Bromswirar
Bromsklossar
Bromshandtag
Bromsslangar
Tillbaka
Banjoanslutningar
Bromsskiveskydd
Bromsvätskebehållare
Gashandtag
Lager
Tillbaka
Kullager Universal
Driv- & Variatoraxellager
Nållager
Lagerhållare
Startapparat
Tillbaka
Startmagnapull
Startsnöre
Klacksatser
Medbringare/linhjul
Startfjädrar
Starthandtag
Wirar & nipplar
Tillbaka
Hastighetsmätarwire
Bromswirar
Gaswirar
Nipplar
Wiresmörjare
Chokewirar
Kylare
Huv & kåpfästen
Front & Bakbågar
Vindruta
Vindrutefästen
Ventilationsgaller
Bukskydd
Backspeglar
Dragkrokar/bågar
Fotsteg
Dynor
Skruv & mutter
Transportboxar
Väskor
Tillbaka
Väsktillbehör
Meshtyg
Stänklappar
Värmeskydd
Tunnel racks
Dynöverdrag
Nitar & Sprintar
Motor & avgas
Tillbaka
Cylindrar
Avgas
Tillbaka
Slutburkar & pipor
Avgasportswirar
Avgasbussning
Avgasfjädrar
Kulkopplingar
Ljuddämparfäste
Avgaspackning
Avgasportar
Värmeskydd
Bränslesystem
Tillbaka
Oljefilter
Slangklammer
Bränslekran
Bränslefilter
Bränslepumpar
Tillbaka
Bränslepumpar
Rep.sats Bränslepump
Bränsleslangar
Chokewirar & spakar
Tillbaka
Choketillbehör
Förgasardelar
Tillbaka
Nålventiler
Munstycken
Rep.satser
Ombyggnadssats
Gaskablar
Isolering luftburksinsug
Primer
Tank-, kylar,- & oljelock
Spridare
Insugsgummi
Reeds
Fläktremmar
Kolvar
Tillbaka
Kolvringar
Kolvbultslager
Packboxar vevaxel
Packningar (lösa)
Packningssatser
Tillbaka
Toppsatser
Helsatser
Vevaxellager
Vevstakar & Axlar
Motorfästen
Vattenpump
Oljepump
Olja & Vätskor
Tillbaka
Olja 2-t
Olja 4-t
Kedjehusolja
Glykol
Spray, fett & övrigt
Styrsystem & Framvagn
Tillbaka
Bussningar styrstolpe
Styrstag
Stötdämpare Framvagn
Spindlar
Bussningar framvagn
A-armar
Gashandtag
Bromshandtag
Gummielement & Damasker
Skidgummi
Handskydd
Styrleder
Skidbelag
Styren
Styrhöjare
Krängningshämmare
Styrskenor
Burkrem
Kulleder a-arm
Skidor
Tillbaka
Mont.sats Skidor
Skidhooks
Gummihandtag
Styrhook
Verktyg
Tillbaka
Avdragare Variator
Avdragare Svänghjul
Kolvbultsurdragare
Fjäderkompressor
Variatorkompressor
Tändstiftnycklar
Övriga verktyg
Haknycklar
ATV
Tillbaka
Arctic Cat sprängskisser
Kayo Sprängskisser
CFMOTO Sprängskisser
Chassie
Tillbaka
Bussningar
Tillbaka
Swingarmsbussningar
Bakvagnsbussningar
Stötdämparbussningar
Framvagnsbussningar
Kopplingswire
Styrled
Stötdämparfjädrar
Stötdämpare
Kulleder
Gaswire
Hjullager
A-arm
Sadelöverdrag
Bromsar
Tillbaka
Bromsskivor
Repsats Bromsok
Bromsbelägg
Drivlina
Tillbaka
Drivaxlar
Difflager
Bakaxlar
Variatorfjädrar
Drivaxelknutar
Variatorremmar
Knutkors
Knutbälgar
Variatorkit
El-delar
Tillbaka
Vinschrelä
Startmotor
Stator/generator
Tändningslås ATV
Tändspole
Voltregulatorer
Ljusomkopplare
Nödstopp
Solenoider
Vattentempgivare
Tändstift
Batterier
Timräknare
Baklampglas
Startmotorkol
Motordelar
Tillbaka
Repsats vattenpump
Vevstakar
Avgassystem
Olje & Bränslefilter
Insugsgummin
Luftfilter
Kolvsatser
Munstycken & Bränsle
Packningar
Tillbaka
Packningssatser (Komplett)
Toppsats
Olja
Släpvagn
Trädgård
Motocross
Tillbaka
Kylare/Kylning
Avgassystem
Tillbaka
Avgasfjäder
Helsystem
Krökar
Ljuddämpare
Bromsar
Tillbaka
Repsats broms
Bromsbelägg
Bromsskivor-
Bromspedaler
Bromsslangar
Chassie
Tillbaka
Fotpinnar
Wirar
Tillbaka
Gasvajrar
Kopplingswirar
Styrlager
Launch Control
Hasplåtar
Skruv & Bult
Styre & reglage
Tillbaka
Handskydd MX
Styren-
Styrpads
Handtagsgummi
Bromsgrepp
Kopplingsgrepp
Gasrullar
Kickpedaler
Växelspakar
Drev & Kedjor
Tillbaka
Kedjor & Kedjelås
Bakdrev
Framdrev
Däck & Fälg
Tillbaka
Däck
Fälgbanor
Hjulsatser
Slang
Hjullagersats
Hjuldistanser
Ekrar & nipplar
Däcklås
Eldelar
Tillbaka
Tändstift
Dödarknappar
Timräknare
Batterier
Fjädring
Tillbaka
Framgaffel
Lagersatser
Tillbaka
Svinglager
Länkagelager
Stötdämparlager
Stötdämpare
Motor
Tillbaka
Kamkedjor & axlar
Kolvbultslager MX
Tändningskåpor
Ventiler
Insug/reeds
Packningar
Kolvar MX
Koppling
Vevstakssats
Ramlager
Vevaxlar
Olja, Kem & Filter
Tillbaka
Luftfilter
Oljefilter.
Olja & Kem
Plast & Dekaler
Tillbaka
Tvättlock
Kedjerullar
Gaffelbensskydd
Siffror
Bakskärmar
Sidokåpor
Nummerplåtar
Framskärmar
Stänkskydd
Sadlar & överdrag
Kylargaller
Plastkit
Kedjestyrare
Kedjesläpor
Dekaler
Tanklock
Ram & Motorskydd
Kylarvingar
Depå
Marindelar
Tillbaka
Utombordare
Tillbaka
Olja
Anoder
Elektronik
Tillbaka
Regulatorer
Tändspolar
Tändstift
Startrelän
Nödstopp
Tändningslås
Trim & tilt
Mercury Smartcraft
Startmotorer
Växelhus & Propellrar
Tillbaka
Propellrar
Nav & Monteringssatser
Packningar
Magnapull
Verktyg
Motordelar
Tillbaka
Oljefilter
Kamremmar
Packningar
Luftfilter
Kolvar
Kylning
Tillbaka
Termostater
Impellerhus
Vattenpump rep.sats
Impellrar
Servicekit
Bränsle
Tillbaka
Bränslepumpar
Bränsletankar
Förgasardelar
Slangar & anslutningar
Bränslefilter
Vattenskoter
Tillbaka
Motordelar
Drivning
Hull & Chassie
Tillbehör vattenskoter
Ankring & linor
Tillbaka
Förtöjningsfjädrar
Pollare
Ankare
Fendrar
Bojar
Linor
Förtöjningspaket
Kätting
Karbinhakar & Schackel
Inombordare
Tillbaka
Bränslesystem
Kylning
Elektronik
Avgasdelar
Drevdelar
Tillbaka
Propellrar
Packningar
Motor reservdelar
Olje, bränsle & luftfilter
Anoder
Servicekit
Verktyg
Båtdelar
Tillbaka
Kimple delar
Stolar
VVS & Ventilation
Inredning
Tillbaka
Flaggor & stänger
Kapelltillbehör
Beslag & gångjärn
Åror & tullar
Lås
Eldelar
Tillbaka
Brytare
Tankmätare
Säkringar
Mätare
Pumpar
Batteri
Navigation & Ekolod
Lanternor & belysning
Silver delar
Styrning & Reglage
Tillbaka
Reglagekablar
Skrov & genomföring
Tillbaka
Muttrar & skruv
Genomföringar
Terhi delar
Tillbaka
Styrning , pulpet & rutor
Tillbaka
Pulpeter
Rutor
Styrning
Sittbänkar & tofter
Skrovdelar
Tillbaka
Genomföring & Dyvika
Lås, beslag & gångjärn
Handtag & knapar
Dekaler
Årtullar & klykor
Stävöglor
Köllister
Relingslister
Akterspeglar
Tillbehör
Tillbaka
Övriga Tillbehör
Dynsatser
Räcken
Kapell
Rep.delar & underhåll
Elektronik
Badstegar
Båtvård
Tillbehör
Tillbaka
MC
Tillbaka
Suzuki OEM Tillbehör
CFMOTO OEM Tillbehör
Snöskoter
Tillbaka
Bogserlina
Fritidsutrusning
Komm.system
Kälkar
Lås
Spårsystem/GPS
Lastnät
Bränsledunkar
Knästoppning
Rullblock / ramper
Skoterlyft
Spännband
Säkerhetsmast
Yxhållare
Tändstift/remhållare
Kamera & Mobil
ATV
Tillbaka
Flishugg
Motorvärmare
Mobil & Kamera
Bandsatser
Belysning
Tillbaka
Extraljus
El förbrukning
Däck / Fälg
Tillbaka
Hjuldistanser/spacers
Hjulsatser
Däck
Fälgar
Dubb
Slang
Fritidsutrusning
Tillbaka
Fällkniv
Handsåg/grensåg
Yxhållare
Smörgåsjärn
Grillspett/teleskop
Hörselskydd
Klippare / Slaghack
Komm.system
Lås
Snökedjor / dubb
Spårsystem / GPS
Förvaring
Vagnar
Verktyg ATV
Vindrutor
Batteriladdare
Värmehandtag
Plogblad & Slungor
Kapell ATV
Handskydd ATV
Skärmbreddare
Stötfångare
Sandspridare
Vinschar
Tillbaka
Vinschfästen
Hasplåtar
Personlig utrustning
Tillbaka
Motorcykel
Snöskoter
Tillbaka
Monosuits
Byxor
Skydd
Tillbaka
Armbåge & Knä
Hjälmar
Glasögon
Tillbaka
Linser
Kroppsskydd
Ryggskydd
Handskar
Huvor
Jackor
Skor
Underställ
Mössor & Merch
Ryggsäckar
Motocross
Tillbaka
Streetwear
Skydd
Tillbaka
Glasögon
Rygg/bröst
Benskydd
Stövlar
Kläder
Hjälmar
Marin
Hem
/
Reservdelar
/
MC
/
CFMOTO Sprängskissser
/
800MT EXPLORE
/
Startmotor
Close
Filter
Rensa alla
Pris
Rensa
Min:
32,00 kr
Max:
2.407,00 kr
kr32
kr2407
Tillverkare
Rensa
CFMOTO
Valda filter
Showing
av
resultat
Kategorier
Fordon Facebook
Fordon
Arkiv
Reservdelar
MC
Suzuki Sprängskisser
Super Soco Sprängskisser
CFMOTO Sprängskissser
450MT
800MT EXPLORE
Motorfästen (Explore Edition)
Låssats (mekaniskt lås)
Låssats (smartnyckel)
Ljuddämpare
Främre fäste
Huvudram
Bakre ram
Sidostöd & mittstöd (Explore Edition)
Plast 1
Plast 2 (Explore Edition)
Plast 3
Plast 4 (Explore Edition)
Plast 5
Plast 6
Plast 7 (Explore Edition)
Fjädring fram
Fjädring bak
Framhjul (Explore Edition)
Bromssystem
Styrsystem (Explore Edition)
Bakhjul (Explore Edition)
Bränsletank
Seat (Explore Edition)
Fotstöd & Handledare bak
Electric System (Explore Edition)
Lykta (Explore Edition)
Dashboard (Explore Edition)
Kylsystem
Märka
Dekal-Explore Edition-Starry White
Dekal Explore Edition-Gem Black
Verktyg
Sidoboxfäste
Främre stötfångare
Bränsleförångningssystem
Ägarmanual
Luftfilter
Motorväska
Kopplingsskydd
Cylindertopp
VALVE DRIVE
TIMING DRIVE
Tändkåpa
Vevaxel
Koppling
MAIN SHAFT
COUNTER SHAFT
Växlingsmekanism
Smörjsystem
Vattenpumpkåpa
Startmotor
Balansaxel
Gasspjäll & injektor
Cylindertoppsystemsats
125NK
450CL-C BOBBER
NK450
800Mt-X Advanced
450SR
675SR-R
700CL-X HERITAGE
675NK
800NK
Snöskoter
ATV
Släpvagn
Trädgård
Motocross
Marindelar
Tillbehör
Personlig utrustning
Outlet
Tillverkare
CFMOTO
Arctic Cat
Kawasaki
Suzuki
Mercury
Visa alla
Populära taggar
drivaxel
glasögon
hjullagersats
impeller
insugsgummi
kolvsats atv
kolvsats polaris
matta
mercury utombordare
motocross
packningssats topp
startmotor atv
styrled
variatorrem arctic cat
variatorrem atv
Visa alla
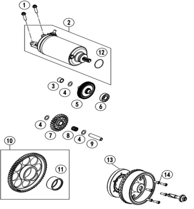
Startmotor
1
C0000250602500
HH COLLAR SCREW M6X25 ISA30
44,00 kr
Lägg i varukorg
1
C0025060256
SCREW M6x25
32,00 kr
Lägg i varukorg
2
C90040001000
E STARTER MOTOR 9Z
2.407,00 kr
Lägg i varukorg
3
C0618101410
NEEDLE SLEEVE 10/14/10
80,00 kr
Lägg i varukorg
4
C90038007010
THRUST WASHER 10/16/0,5
68,00 kr
Lägg i varukorg
5
C90040017100
TORQUE LIMITER CPL. 10/55Z
1.679,00 kr
Lägg i varukorg
6
C0625060016
BEARING 12/28/8 (TORQUE LIMITER)
130,00 kr
Lägg i varukorg
7
C90040022000
STARTER IDLER GEAR 26Z
686,00 kr
Lägg i varukorg
8
C90040090000
NEEDLE BEARING 10/13/13
92,00 kr
Lägg i varukorg
9
C90040029000
BEARING BOLT
128,00 kr
Lägg i varukorg
10
C63540020000
FREE WHEEL GEAR ASS
1.232,00 kr
Lägg i varukorg
10
C90040020000
FREEWHEEL GEAR CPL. 66Z
1.623,00 kr
Lägg i varukorg
11
C0618354220
NEEDLE SLEEVE 35/42/20 HK3520
533,00 kr
Lägg i varukorg
12
C0770244031
O-RING 24.40X3.10 NBR 70
230,00 kr
Lägg i varukorg
13
C90040124000
ONE WAY CLUTCH CPL.
1.644,00 kr
Lägg i varukorg
14
C0000250601600S
HH COLLAR SCREW M6X16 TX30 SL
200,00 kr
Lägg i varukorg
14
C0025060166S
SCREW M6x16
44,00 kr
Lägg i varukorg