Filtrera efter pris
Attribut
  • Märke
Filtrera efter tillverkare
Kategorier

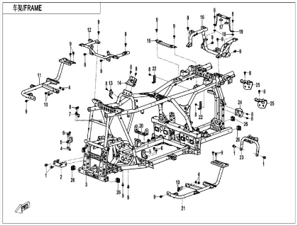
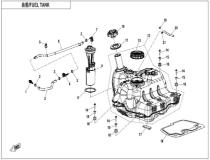
CFMOTO CFORCE 1000 TR.B 2024- delar & sprängskisser

CFMOTO ATV delar och sprängskisser

Utforska vårt sortiment av CFMOTO CFORCE 1000 Traktor B 2025 delar och sprängskisser för enkel service och reparation. Vi erbjuder originaldelar för motor, drivlina, bromsar, fjädring och karossdelar. Våra tydliga sprängskisser gör det enkelt att hitta rätt reservdelar snabbt och korrekt.

  • Motor- och drivlinedelar
  • Broms- och fjädringskomponenter
  • Kaross- och chassidelar
  • Tillbehör och underhållsartiklar
  • Detaljerade sprängskisser för enkel identifiering

Säkra att din CFMOTO CFORCE 1000 TR.B alltid fungerar optimalt genom att välja originaldelar från vår katalog.