Meny
Personal menu
Søk
0
Mera fritid - Just more funđ
Stäng
inkl mva
eksl mva
NOK
EUR
SEK
Registrer deg her
Logg inn
Ănskeliste
0
Stäng
Søk
0 items
Du har ingen varer i handlekurven.
Stäng
Alle kategorier
Kjøretøy
Tillbaka
Motorsykler
Tillbaka
Suzuki
Kawasaki
Motocross
CFMOTO
Super Soco (elektrisk)
Talaria (elektrisk)
ATV
Tillbaka
CFMOTO
ATV for juniors
Snøscootere
Tilhengere
Tillbaka
Ubremsede tilhengere
Tillbaka
Standard
Profesjonell
Båthengere
Tillbaka
Standard
Profesjonell
Samlerv&n
Bremsede tilhengere
Biltransportere
Båter
Tillbaka
Kimple
Nakhoda
Kawasaki
Silver
Terhi
Påhengsmotorer
Tillbaka
Mercury
Minn Kota
Suzuki
Snøfresere & klippere
Tillbaka
Hageredskaper
Snøfresere
Slåmaskiner
Reservedeler
Tillbaka
Motorsykkel
Tillbaka
Suzuki OEM deler
Super Soco OEM deler
CFMOTO OEM deler
Snøscootere
Tillbaka
Arctic Cat OEM-deler
Tillbaka
Arctic Cat OEM deler
Tilbehør til Arctic Cat
B&gi
Tillbaka
Dekkhetter
Boggi støtdempere
Tillbaka
Boggidemper
Sjokkbøssing
Fjærholder
Fjærer
Støtdemper reservedeler
Skiftnøkler
Drivremmer
Fjærer bak
Tomgangshjul
Hjulbøssinger
Spring Mounts
Bump Stop Gummi
Festeringer
Lysbilder
Bøsninger
Aksler & svingarmer
Skyveblokker
Isskraper
B&gihjulfeste
Skinner
Tillbaka
Skinneforsterker
Drivverk
Tillbaka
Variator deler
Tillbaka
Variatorfjærer
Cam Driven
Variatordeler (komet)
Clutch Slider & Rollers
Reparasjonssett & bøssinger
Variator mellomlegg
Clutch Drive
Clutch drevet
Vekter
Vekt armbolter
Kjør Mats
Tillbaka
Løype
Klemmer for snøscootermatte
Snøscooterbolter
Drivhjul & aksler
Tillbaka
No-slip drivhjul
Hjulflens
Drivremmer
Kjedekasse
Tillbaka
Kjedekassepakning
Kjeder & strammere
Tillbaka
Kjeder
Kjedestrammer
Veivhuspakninger
Tannhjul
Girsett (inkl. kjede)
Elektronikk
Tillbaka
Drivstoffsensorer
Sikringer / releer
Sensorer
Speedometer
Batterier
Batteriladere
Belysning
Tillbaka
Frontlys
Baklys
Pærer
Brytarspiss
CDI bokser
Strømuttak
Styrevarmere
Tommelvarmere
Kondensatorer
Dødmannsgrep
Lysbrytere
Startmotorer
Tillbaka
Startmotoraksel
Startmotorgir
Startreléer
Brytere & bremsekontakt
Sikkerhetsbrytere
Sikkerhetskabler
Tenningslås
Tennspoler
Tennplugger
Tennplugghetter & tennkabel
Spenningsregulator
Tps sensor
Temperatursensor
Timeteller
Pick-up spoler
Bankesensorer
Statorer
Chassis & bremser
Tillbaka
Chassis tilbehør
Tillbaka
etterbehandlingsmaling
Dekke
Tillbaka
Snøskutertrekk (Arctic OEM)
Plast & hetter
Tillbaka
Dekaler
Bremse / Gass
Tillbaka
Bremseskiver
Reparasjonssett for bremsesylinder
Bremsetråder
Bremseklosser
Bremsespaker
Bremseslange
Tillbaka
Banjo beslag
Bremseskivebeskyttelse
Bremsevæskebeholder
Gasshåndtak
Kulelager
Tillbaka
Universallager
Driv- & variatoraksellager
Nålelager
Lagerholdere
Startmotor
Tillbaka
Starter magnet trekk
Trekk i ledningen
Fotpinnesett
Driv- & lineremskiver
Startfjærer
Starthåndtak
Ledninger & brystvorter
Tillbaka
Speedometer kabel
Bremsetråder
Gassledninger
Brystvorter
Trådsmøreapparat
choke ledninger
Radiator
Hette- & kåpefester
Stenger foran & bak
Frontrute
Frontrutefester
Ventilatorer
Magepanne
Bakspeil
Tilhengerkroker & -stenger
Fotstøtter
Puter
Skruer & muttere
Transport bokser
Vesker
Tillbaka
Vesketilbehør
Mesh stoff
Splash Guards
Varmeskjold
Tunnelstativ
Setetrekk
Nagler & pinner
Motor & eksos
Tillbaka
Sylindre
Eksos
Tillbaka
Enderør & lyddempere
Eksosportledninger
Eksosbøssing
Eksosfjærer
Kulekoblinger
Lyddemperfeste
Eksospakning
Eksosporter
Varmeskjold
Drivstoffsystem
Tillbaka
Oljefilter
Slangeklemmer
Drivstoffkran
Drivstofffilter
Drivstoffpumper
Tillbaka
Drivstoffpumper
Drivstoffpumpe reparasjon / pakning
Drivstoffslanger
Choke ledninger & spaker
Tillbaka
Choke tilbehør
Forgasserdeler
Tillbaka
Nåleventiler
Dyser
Reparasjonssett
Konverteringssett
Gasskabler
Inntaksisolasjon
Primer
Tank-, radiator- & oljelokk
Spredere
Inntak av gummi
Reedventiler
Viftebelter
Stempler
Tillbaka
Stempelringer
Stempelstiftlager
Veivakseltetninger
Pakninger (løse)
Pakningssett
Tillbaka
Pakninger Toppsett
Pakninger komplette sett
Veivaksellager
Koblingsstenger & aksler
Motorfester
Vannpumpe
Oljepumpe
Olje & væsker
Tillbaka
2-takts olje
4-takts olje
Kjedehusolje
Glykol
Spray, fett & div
Styresystem & Framvogn
Tillbaka
Rattsøylebøssinger
Styrestag
Fjæring foran
Spindler
Frontend bøssinger
A-armer
Gasshåndtak
Bremsehendel
Gummielementer & støvler
Ski gummi
Håndvern
Parallellstagender
Skiløpere
Styre
Styrestigere
Anti-roll Bar
Styreskinner
Kan stropper
A-arm kuleledd
Ski
Tillbaka
Skimonteringssett
Skikroker
Gummihåndtak
Styrekrok
Verktøy
Tillbaka
Variatortrekker
Svinghjulstrekker
Stempelpinnetrekker
Fjærkompressor
Variator kompressor
Tennpluggnøkler
Andre verktøy
Skiftnøkler
ATV
Tillbaka
ARCTIC CAT OEM DELER
Kayo OEM deler
CFMOTO OEM Parts
Chassis
Tillbaka
Bøsninger
Tillbaka
Svingarmbøssinger
Bøsninger bak
Sjokkbøssinger
Frontend bøssinger
Clutch kabel
Styreledd
Shock Springs
Støtdempere
Kuleledd
Gasskabel
Hjullagre
A-Arm
Sadeltrekk
Bremser
Tillbaka
Bremseskiver
Reparasjonssett for bremsekaliper
Bremseklosser
Drivverk
Tillbaka
Drivaksler
Differensiallager
Bakaksler
Variatorfjærer
Drivakselledd
Variatorbelter
U-ledd
U-leddet støvler
Clutchsett
Elektriske deler
Tillbaka
Vinsj relé
Startmotor
Stator / Generator
Tenningslås
Tennspole
Spenningsregulatorer
Lysbryter
Nødstopp
Solenoider
Vanntemperatursensor
Tennplugger
Batterier
Timeteller
Baklyslinse
Startmotorbørster
Motordeler
Tillbaka
Vannpumpe reparasjonssett
Koblingsstenger
Eksosanlegg
Olje- & drivstofffiltre
Inntaksgummi
Luftfilter
Stempelsett
Dyser & drivstoff
Pakninger
Tillbaka
Pakningssett (komplett)
Toppsett
Olje
Tilhengerdeler
Hagedeler
Motocross
Tillbaka
Radiator & kjøling
Eksosanlegg
Tillbaka
Eksosfjær
Fullt system
Eksosrør
Lyddempere
Bremser
Tillbaka
Bremse reparasjonssett
Bremseklosser
Bremseskiver
Bremsepedaler
Bremseslanger
Chassis
Tillbaka
Fotpinner
Ledninger
Tillbaka
Gasskabler
Clutch kabler
Styrelager
Start kontroll
Skid Plater
Skrue & bolt
Styre & kontroller
Tillbaka
Håndvern MX
Styredeler
Styreputer
Håndtak
Bremsespaker
Clutchspak
Gassruller
Kickpedaler
Girspaker
Tannhjul & kjeder
Tillbaka
Kjeder & kjedelåser
Bakre tannhjul
Fremre tannhjul
Dekk & felger
Tillbaka
Dekk
Felgbånd
Hjulsett
Slange
Hjullagersett
Hjulavstandsstykker
Eiker & brystvorter
Dekklåser
Elektriske deler
Tillbaka
Tennplugger
Kill Switch-knapper
Timeteller
Batterier
Suspensjon
Tillbaka
Forgaffel
Lagersett
Tillbaka
Bakre fjæringslager
Koblingslagere
Støtlager
Støtdempere
Motor
Tillbaka
Registerkjeder & aksler
Stempelstiftlager MX
Tenningsdeksler
Ventiler
Inntaks & reedventiler
Pakninger
Stempler
Clutch
Koblingsstangsett
Rammelager
Veivaksler
Olje, kjemikalier & filter
Tillbaka
Luftfilter
Oljefilter
Olje & kjemikalier
Plast & dekaler
Tillbaka
Vaskehette
Kjederuller
Gaffelvakter
Tall
Bakskjermer
Sidepaneler
Nummerskilt
Forskjermer
Skvettskjermer
Saler & trekk
Radiatorbeskyttelse
Plastsett
Kjedeguider
Kjedeskyvere
Dekaler
Tanklås
Ram & motorbeskyttelse
Radiatorfinner
Depot
Marine deler
Tillbaka
Påhengsmotordeler
Tillbaka
Marin olje
Anoder
Elektronikk
Tillbaka
Regulatorer
Tennspoler
Tennplugger
Startreléer
Drepende brytere
Tenningslås
Trim & Tilt
Mercury Smartcraft
Startmotor
Girkasse & propeller
Tillbaka
Propeller
Propellnav & muttere
Pakninger
Rekylstarter
Verktøy
Motordeler
Tillbaka
Oljefilter
Registerremmer
Pakninger
Luftfiltre
Stempler
Avkjøling
Tillbaka
Termostater
Impellerhus
Vannpumpe reparasjonssett
Impellere
Servicesett
Brensel
Tillbaka
Drivstoffpumper
Drivstofftanker
Forgasser
Slanger & beslag
Drivstofffiltre
PWC deler
Tillbaka
Motordeler
Drivlinje
Skr& & chassis
Tilbehør
Forankring & tau
Tillbaka
Mooring Springs
Pullerter
Ankre
Fendrar
Bøyer
Tau
Fortøyningssett
Kjede
Karabinkroker & sjakler
Innenbords deler
Tillbaka
Drivstoffsystem
Kjølesystem
Elektriske deler.
Eksosdeler
Hekkdrev deler
Tillbaka
Propeller
Pakninger
Motordeler
Olje, drivstoff & luftfiltre
Anoder
Vedlikeholdssett
Verktøy
Båt deler
Tillbaka
Kimple deler
Seter
Rørleggerarbeid & ventilasjon
Interiør
Tillbaka
Flaggstenger
Baldakin tilbehør
Beslag & hengsler
Årer & Tholes
Låsesett
Elektriske deler
Tillbaka
Brytere
DrivstoffSpeedometer
Sikringer
Speedometer
Pumper
Batteri
Navigasjon & ekkolodd
Lykter & belysning
Silver deler
Styring & kontroller
Tillbaka
Kontrollkabler
Skr& & gjennomskr&
Tillbaka
Muttere & bolter
Gjennom-skr&
Terhi Parts
Tillbaka
Styring, konsoll & vinduer
Tillbaka
Konsoller
Vindskjermer
Styring
Seter
Skrogdeler
Tillbaka
Gjennom-skr& & fingerbøl
Låser, beslag & hengsler
Håndtak & knotter
Dekaler
Øyebolter & kroker
Bue øyne
Kjølstrimler
Gunwale Strips
Akspeil
Tilbehør
Tillbaka
Annet tilbehør
Putesett
Rekkverk
Båttrekk
Reparasjon av deler & vedlikehold
Elektronikk
Svømmestiger
Båtpleie
Tilbehør
Tillbaka
Motorsykkel
Tillbaka
Suzuki OEM-tilbehør
CFMOTO OEM tilbehør
Snøscooter
Tillbaka
Slepetau
Fritidsutstyr
Kontrollsystemer
Tilhengere
Låser
Sporsystem / GPS
Lastenett
Drivstoffkanner
Knepolstring
Rulleblokker / ramper
Snøscooterheis
Knytestropper
Sikkerhetsmast
Økseholder
Tennplugg / belteholder
Kamera & mobil
ATV
Tillbaka
Flishugger
Motorvarmer
Mobil & kamera
Sporsett
Belysning
Tillbaka
Ekstra lys
Elektrisk forbruk
Dekk & felger
Tillbaka
Hjulavstandsstykker
Hjulsett
Dekk
Felger
Pigger
Slange
Fritidsutstyr
Tillbaka
Sammenleggbar kniv
Håndsag & Beskjæringssag
Økseholder
Sandwichmaskin
Grillspyd / teleskopisk
Hørselsvern
Slåmaskiner & flismaskiner
Kontrollsystemer
Låser
Snøkjeder & pigger
Sporsystem & GPS
Lagring
Tilhengere
ATV-verktøy
Vindskjermer
Batterilader
Oppvarmede håndtak
Pl&blad & kastemaskiner
ATV-deksel
ATV håndbeskyttere
Fender fakler
Støtfangere
Sandspredere
Vinsjer
Tillbaka
Vinsjfester
Skid Plater
Utstyr
Tillbaka
Gatesykkel
Snøscooter
Tillbaka
Monodresser
Bukser
Verneutstyr
Tillbaka
Albue & kne
Hjelmer
Vernebriller
Tillbaka
Linser
Kroppsrustning
Ryggbeskytter
Hansker
Hetter
Jakker
Sko
Grunnlag
Hatter & varer
Ryggsekker
Motocross
Tillbaka
Streetwear
Verneutstyr
Tillbaka
Vernebriller
Rygg- & brystbeskyttelse
Beinbeskyttere
Støvler
Klær
Hjelmer
Marine
Hjem
/
Reservedeler
/
ATV
/
CFMOTO OEM Parts
/
CFMOTO CFORCE 820 TR.B 2017-19
/
Kjølesystem (vann) (F18-1)
Close
Filter
Rensa alla
Filter (Pris)
Rensa
Min:
32,00 kr
Max:
3 745,00 kr
kr32
kr3745
Merke
Rensa
CFMOTO
Produsenter
Rensa
CFMOTO
Valda filter
Showing
av
resultat
Kategorier
Kjøretøy
Arkiv
Reservedeler
Motorsykkel
Snøscootere
ATV
ARCTIC CAT OEM DELER
Kayo OEM deler
CFMOTO OEM Parts
CFMOTO CFORCE 625 TR.B short 2020-
CFMOTO CFORCE 625 TR.B long 2020-
CFMOTO CFORCE 110 2023-
CFMOTO ZFORCE 550 T1A 2018-22
CFMOTO UFORCE 600 T1A/T1B 2022-
CFMOTO UFORCE 800 TR.B 2017-21
CFMOTO ZFORCE 800 TR.B 2017-18
CFMOTO CFORCE 520 TR.B SHORT 2017-22
CFMOTO CFORCE 520 TR.B LONG 2017-22
CFMOTO CFORCE 520 TR A/B short 2023-
CFMOTO CFORCE 520 TR.A/B long 2023-
CFMOTO CFORCE 550 TR.B 2014-18
CFMOTO CFORCE 600 TR.B 2019-20
CFMOTO CFORCE 800 (X8) ONROAD 2012-16
CFMOTO CFORCE 820 TR.B 2017-19
CVT luftrør & sidedeksel (F00)
Låsesett (F01)
Lyddemper (F02-1)
Varmeisolasjonsplate (F02-2)
Ramme (F03)
Frontplast (T3 Heda Light) (F04-1-B)
Mellomplast (F04-2)
Plast bak (F04-3)
Bunnplast (F04-4)
Varmeisolasjonspapir (F04-5)
Frontfjæring (stål) (F05-1-A)
Frontfjæring (alun) (F05-1-B)
Støtdemper (Oil Max Travel Distance 96)
Støtdemper (Oil Max Travel Distance 75)
Støtdemper (gassstøtdemper, Yit)
Bakfjæring (stål) (F06-A-V2)
Bakfjæring (alun) (F06-B-V2)
Forhjul (F07)
Bremsesystem (F08)
Styre (F10-1)
Styresystem (Eps) (F10-2-A-V1)
Styresystem (Eps) (F10-2-A-V2)
Styresystem (F10-2-B)
Bakhjul (F11)
Drivstofftank (F12)
Sete (F13)
Stativ (F14)
Elektrisk system (F15-1)
Slepevinsj (F15-2)
Drivstoffinnsprøytning (F15-3)
Lys (F16)
Speedometer (F17)
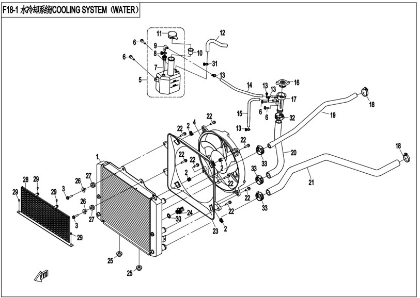
Kjølesystem (vann) (F18-1)
Oljekjølesystem (F18-2)
Dekalsett (advarsel) (F19-1-V4)
Dekalsett (F19-2-C)
Verktøy (F20-V1)
Støtfanger (F23-B)
Fremre CV-aksel (F27)
Bakre CV-aksel (F28)
Drivsystem (F30)
Foraksel (fire plantegir) (F31-V2)
Girskifte (F32)
Bakaksel (F33-V1)
Bakaksel (F33-V2)
2-punkts sikkerhetsbelte (F34-V1)
Brukerhåndbok (F38)
Tilhengerfeste (F40)
Luftfilter (F41)
2V91W motor (lang fremre utgående aksel) (E00)
Veivhus (E01)
Venstre veivhus (E01-1-V1)
Venstre veivhus (E01-1-V2)
Venstre veivhus (E01-1-V3)
Venstre veivhus (E01-1-V4)
Høyre veivhus (E01-2-V1)
Høyre veivhus (E01-2-V2)
CVT-tilfelle (E01-3)
CVT-deksel (E01-4)
Venstre veivhusdeksel (E01-5)
Sylinderhodedeksel (E02-1)
Sylinderhode nr. 1 (E02-2-V2)
Sylinder (E02-3)
Kamaksel på sylinder 1 (E02-4)
Inntaksmanifold (E02-5)
Sylinderhode nr. 2 (E02-6-V2)
Kamaksel på sylinder 2 (E02-7)
Sylinderhode & sylinder (E02-V2)
Magneto (Eps) (E03-B)
Veivaksel, koblingsstang & stempel (E04)
Clutch & CVT (E05)
Drivhjul (E05-1)
Drevet remskive (Hl) (E05-2-A)
Drevet remskive (CVTech) (E05-2-B)
Clutch Crust (E05-3)
Transmisjonssystem (1) (E06-1-V2)
Transmisjonssystem (1) (E06-1-V3)
Transmisjonssystem (2) (E06-2)
Transmisjonssystem (3) (E06-3-V1)
Transmisjonssystem (3) (E06-3-V2)
Oljepumpe (E07)
Vannpumpe (E08)
Startsystem (E09)
CFMOTO CFORCE 850 TR.B 2018-23
CFMOTO CFORCE 850 TR.B 2024-
CFMOTO CFORCE 1000 TR.B 2018-23
CFMOTO CFORCE 1000 TR.B 2024-
CFMOTO CFORCE 450 TR.B SHORT 2017-22
CFMOTO CFORCE 450 TR.B LONG 2017-22
CFMOTO Allroad 500 -2011
CFMOTO Allroad 500 short 2012-
CFMOTO Allroad 500 long 2012-
Chassis
Bremser
Drivverk
Elektriske deler
Motordeler
Olje
Tilhengerdeler
Hagedeler
Motocross
Marine deler
Tilbehør
Utstyr
Outlet
Produsenter
CFMOTO
Arctic Cat
Kawasaki
Suzuki
Mercury
Se alle
PopulĂŚre tagger
drivaxel
glasögon
hjullagersats
impeller
insugsgummi
kolvsats atv
kolvsats polaris
matta
mercury utombordare
motocross
packningssats topp
startmotor atv
styrled
variatorrem arctic cat
variatorrem atv
Se alle
Kjølesystem (vann) (F18-1)
1
7020-180110-00001
RADIATOR ASSY
3 744,88 kr
Kjøp
2
8030-040800
REPL BY 8030-040800-00001
32,13 kr
3
30006-060025810
BOLT
32,13 kr
Kjøp
4
7020-181400
FAN@^MOTOR
2 669,61 kr
Kjøp
5
7020-180120
RESERVOIR TANK ASSY
431,72 kr
Kjøp
6
30006-060016810
BOLT
32,13 kr
Kjøp
7
8010-180028
HOSE, RESERVOIR TANK
56,22 kr
Kjøp
8
30601-112010
CLAMP
32,13 kr
Kjøp
9
8030-180302
JOINT
44,18 kr
Kjøp
10
9060-180903
GASKET, RESERVOIR
32,13 kr
Kjøp
11
8010-180023
CAP, RESERVOIR TANK
56,22 kr
Kjøp
12
6100-000102
OUTLET PIPE 1, IDLE
56,22 kr
Kjøp
13
30601-111010
CLAMP
32,13 kr
Kjøp
14
9060-180024
WATER HOSE, RESERVOIR TANK
80,32 kr
Kjøp
15
7020-180103
OVERFLOW HOSE, RADIATOR
56,22 kr
Kjøp
16
8010-180024
CAP, WATER FILLER
180,72 kr
Kjøp
17
9060-180025-1000
WATER FILLING PORT
190,76 kr
Kjøp
18
9010-180007
CLAMP, WATER HOSE
92,37 kr
Kjøp
19
7020-180101-1000
WATER INLET HOSE, RADIATOR
544,16 kr
Kjøp
20
7020-180105
JOINT PIPE, WATER FILLER
351,40 kr
Kjøp
21
7020-180104
WATER OUTLET HOSE, RADIATOR
643,56 kr
Kjøp
22
30006-060020810
BOLT
32,13 kr
Kjøp
23
9060-181301
DEFLECTOR, FAN
230,92 kr
Kjøp
24
7020-150600
THERMO SWITCH CF Moto
351,40 kr
Kjøp
25
9060-180026
PIN RUBBER CAP, RADIATOR
44,18 kr
Kjøp
26
9060-180029
RUBBER CUSHION TUBE, RADIATOR
32,13 kr
Kjøp
27
9060-180027
RUBBER CUSHION, RADIATOR
32,13 kr
Kjøp
28
7020-181001
RADIATOR GUARD
210,84 kr
Kjøp
29
30110-420095010
SELF-TAPPING SCREW ST4.2x9.5
44,18 kr
Kjøp
30
6050-180006
RUBBER WASHER 16x23x2
44,18 kr
Kjøp
31
30601-113010
CLAMP A13
32,13 kr
Kjøp
32
7000-180007
REPL BY 7000-180007-00001
104,41 kr
33
A000-180006
CLAMP B30
92,37 kr
Kjøp